- Was Sie wissen müssen, um eine Gastherme richtig einzurichten
- Einstellen, Einstellen des Bypassventils
- Dreiwegeventil für Gaskessel
- Controller-Funktionen
- Messgeräte zum Einstellen von Heizungsanlagen
- Professionelle Gasanalyse mit testo 330-1 LL h4>
- Professionelle Gasanalyse mit testo 330-2 LL h4>
- Hochleistungs-Gasanalyse mit testo 320
- Baseline-Gasanalyse testo 310 h4>
- Partikelzahl-Analysator Testo 308 h4>
- Einfaches Datenmanagement mit easyHeat h4> Software
- Automatisierung von verschiedenen Herstellern
- Wandmontierter Gaskessel
- Automatisierung Arbat
- Automatisierung Honeywell
- Automatisierung Eurosit 630 (Eurosit 630)
- Partitionen
- Was sind die automatischen Einstellungen?
- Raumthermostat
- Thermischer Kopf
- Wetterabhängige Automatisierung
- 3 Raumtemperaturregelung - Einstellanleitung
- Automatisierung verantwortlich für Sicherheit
- Wann ist eine Brennerflammenregulierung erforderlich?
- Einstellung und Einstellung von Gaskesseln
- Brenner Flamme
- Zugbegrenzer einbauen:
- So stellen Sie einen Zugbegrenzer und andere Komponenten für Festbrennstoffkessel ein
- Entwicklung des Wirkungsgrades eines solchen Kessels
- Video: mehr über die Effizienz eines Festbrennstoffkessels
- Schlussfolgerungen und nützliches Video zum Thema
Was Sie wissen müssen, um eine Gastherme richtig einzurichten
Richtig Installation einer Gasheizung beginnt in der Phase des Kaufs. Sie müssen sicherstellen, dass seine Leistung ausreicht, um den Raum zu heizen. Achten Sie auf eine stabile Gasversorgung, bei Unterbrechungen hilft keine Anpassung. Es ist notwendig, die Anzahl der Fenster, Türen und Wandstärken zu berücksichtigen. Die richtige Einstellung hängt direkt von diesen Faktoren ab.

Der mit dem elektronisch geregelten Boiler mitgelieferte Thermostat erleichtert die Einstellung. In diesem Fall erledigt die Elektronik alles von alleine. Wenn die Temperatur sinkt, startet das Signal des Thermometers den Brenner oder intensiviert seine Flamme. Ein solches System hält die Temperatur auf dem angenehmsten Niveau, aber manchmal muss es angepasst werden.
Einstellen, Einstellen des Bypassventils

In Kesseln sind die Direkt- und Rücklaufheizungsleitungen durch ein Bypassventil miteinander verbunden - Bypass, pos. eines.
Bei einem bestimmten Wert der Druckdifferenz in der Vor- und Rückleitung öffnet das Ventil und ein Teil des Wassers fließt von der direkten Leitung zur Rückleitung. Dadurch kann der Wasserdruckunterschied in der Vor- und Rückleitung den durch die Ventileinstellung eingestellten Wert nicht überschreiten. Der Betrieb des Ventils trägt dazu bei, Wasserschläge beim Einschalten der Umwälzpumpe zu vermeiden. Außerdem begrenzt die Ventileinstellung die maximale Durchflussmenge (Durchfluss) des Wassers im Heizkreis.
Der Wert des Ventilbetätigungsdrucks wird durch die Position der Einstellschraube, Pos.1 in der Abbildung, bestimmt. Die Schraube kann von einer Extremposition zur anderen um 10 Umdrehungen gedreht werden.Werkseinstellung - die Schraube wird auf die mittlere Position eingestellt, indem sie von der äußersten rechten Position aus 5 Umdrehungen gegen den Uhrzeigersinn gedreht wird. Das Ventil öffnet bei einer Druckdifferenz von 0,25 bar.
Wenn Heizkörper in der Höhe ungleichmäßig erhitzt werden - die Oberseite ist heiß und die Unterseite kalt (der Unterschied beträgt mehr als 15-20 ° C), muss die Wasserbewegungsgeschwindigkeit im Heizsystem erhöht werden. Drehen Sie dazu die Stellschraube des Bypassventils im Uhrzeigersinn. Der Öffnungsdruck des Ventils wird auf 0,35 bar erhöht.
Wenn beim Betrieb der Umwälzpumpe Geräusche an Heizkörpern oder Regelventilen zu hören sind, sollte die Wasserdurchflussmenge im Heizkreis reduziert werden. Drehen Sie dazu die Schraube gegen den Uhrzeigersinn. Der Öffnungsdruck des Ventils wird auf 0,17 bar reduziert.
Die Differenz der Druckwerte, die auf dem Display des Kessels während des Betriebs der Umwälzpumpe und unmittelbar nach dem Stoppen angezeigt werden, sollte nicht mehr als 0,2-0,4 bar betragen. Wenn mehr, muss das Wasser aus dem Kessel abgelassen, das Bypassventil abgeschraubt und auf Sauberkeit überprüft werden.
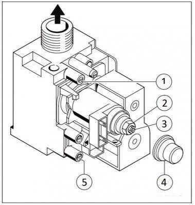
Dreiwegeventil für Gaskessel

Drei laufen Gaskesselventil im Heizbetrieb. Im Warmwasserbetrieb bewegt sich die Spindel mit dem Ventil nach oben.
Zum Entleeren des Boilers wird die Spindel mit dem Ventil über das Servicemenü (Menüzeile d.70) in Mittelstellung gebracht.
Controller-Funktionen
Der Thermostat für einen Festbrennstoffkessel verhindert, dass der Inhalt des Wassermantels aufgrund eines starken Druckanstiegs im Heizsystem siedet und eine Explosion verursacht
Somit macht das Fehlen einer Vorrichtung zum automatischen Einstellen der Erwärmung des Kühlmittels den Betrieb der Kesseleinheit unsicher - die für den Betrieb des Kessels verantwortliche Person erfordert eine ständig erhöhte Aufmerksamkeit für den Betriebsmodus der Ausrüstung
Die Traktionskontrolle hat neben dem Schutz des Kühlmittels vor Sieden weitere Funktionen
- Das Gerät hilft, eine bestimmte Temperatur des Heizwassers im Heizsystem aufrechtzuerhalten, je nach Wärmebedarf in den Räumen (bei Frost ist eine Erwärmung auf maximale Temperaturen erforderlich, in der Nebensaison und während Tauwetterperioden der Grad von Erwärmung des Kühlmittels wird reduziert);
- durch Änderung der Luftzufuhrintensität ist es möglich, die Verbrennungszeit einer Brennstoffladung zu verlängern (aber gleichzeitig sind die Verbrennungsbedingungen alles andere als optimal und der Kesselwirkungsgrad nimmt ab).
Um ein Sieden des Kühlmittels zu vermeiden, kann anstelle eines Reglers ein Sicherheitsventil an einer Festbrennstoffeinheit installiert werden. Der Druck wird automatisch abgelassen, wenn er den eingestellten Wert überschreitet. Allerdings ist das Ventil für den einmaligen Notbetrieb ausgelegt – es fällt aus, wenn der Wärmeerzeuger regelmäßig auf kritische Temperaturen aufheizt. Außerdem muss ohne Zugbegrenzer die Erwärmung des Kühlmittels manuell eingestellt werden.
Messgeräte zum Einstellen von Heizungsanlagen
Aufgrund steigender Energiepreise das Richtige Aufstellung der Heizgeräte wird zu einem wichtigen Baustein zur Optimierung der Nebenkosten. Die tragbaren Abgasanalysegeräte von Testo unterstützen Sie bei allen Aufgaben rund um die Einrichtung, Inbetriebnahme und Wartung von Heizungsanlagen.
Professionelle Gasanalyse mit testo 330-1 LL
h4>
Das Gasanalysegerät testo 330-1 LL mit verlängerter Sensorlebensdauer ist ein zuverlässiges Werkzeug zur Diagnose von Störungen an Heizungsanlagen und zur Überwachung von Schadstoffemissionen in die Atmosphäre oder für die tägliche Arbeit des Heizungsfachmanns. Es ist in der Lage, die höchsten Anforderungen an einen Gasanalysator zu erfüllen: höchste Sensorgenauigkeit und Sensorlebensdauer.
Professionelle Gasanalyse mit testo 330-2 LL
h4>
Zusätzlich zu allen Vorteilen des Gasanalysegeräts testo 330-1 LL können Sie das Gasanalysegerät testo 330-2 bei höheren CO-Konzentrationen in Abgasen einsetzen. Erreicht wird dies durch die eingebaute Funktion der automatischen Verdünnung der Abgasprobe um den Faktor 5. Zusätzlichen Komfort bietet die Nutzung der Nullabgleichfunktion des Druck-/Zugsensors bei im Schornstein verbleibender Sonde.
Hochleistungs-Gasanalyse mit testo 320
h4>
Gasanalysegerät Testo 320 ist ein multifunktionales Abgasanalysegerät für den Heizungsfachmann. Die intuitive Menüstruktur und einfache Bedienbarkeit des Gasanalysegeräts testo 320 in Kombination mit dem hochauflösenden Farbdisplay ermöglichen Ihnen die Durchführung aller notwendigen Messungen bei Installation, Inbetriebnahme, Service und Wartung von Heizkesseln und Brennern.
Basis-Gasanalyse testo 310
h4>
Das Gasanalysegerät testo 310 vereint einfache Bedienbarkeit mit hoher Messgenauigkeit und ist ideal geeignet für alle Basismessungen an Gaskesseln und Brennern. Eine lange Batterielebensdauer garantiert die Möglichkeit des langfristigen Einsatzes des Gerätes, auch für eine Reihe von Abgaskonzentrationsmessungen
Partikelzahl-Analysator Testo 308
h4>
Der Rußanalysator Testo 308 hilft Ihnen bei der Rußmessung. Die eingebaute Pumpe und die automatische Anzeige des Messwertes auf dem hintergrundbeleuchteten Display geben mit einem modernen Messverfahren Auskunft über den Rußgehalt im Schornstein. Dieses Messverfahren ist vergleichbar mit herkömmlichen Verfahren zur Rußmessung mit einer Handpumpe.
Einfaches Datenmanagement mit easyHeat Software
h4>
Mit der dedizierten Testo-Software können Sie die Daten von Ihrem Gasanalysator zur Weiterverarbeitung ganz einfach auf einen PC übertragen. Vielfältige Funktionen wie Kundendaten- und Messdatenmanagement ermöglichen Ihnen eine optimierte Planung der Serviceeinsätze bei Ihren Kunden vor Ort.
Automatisierung von verschiedenen Herstellern
Wandmontierter Gaskessel
Wenn wir von einem Standard-Wandgaskessel sprechen, kann er je nach Kühlmitteltemperatur arbeiten. Daran kann ein Raumthermostat oder Zeitthermostat angeschlossen werden. Es ist auch möglich, einen Openterm-Protokollregler (openterm) anzuschließen.
Ein Sonderfall beim Betrieb von Wandheizkesseln ist die Möglichkeit der witterungsabhängigen Automatisierung. Durch die Verwendung eines Außentemperatursensors erscheinen zusätzliche Variablen, mit denen Sie die Brennerleistung und die Vorlauftemperatur je nach sich ändernden Bedingungen außerhalb des Gebäudes schneller anpassen können.
Automatisierung Arbat
Geräte haben 5 Schutzgrade. Es gibt einen thermoelektrischen Flammschutz. Im ausgeschalteten Zustand ist die Gaszufuhr gesperrt.Der modulierende Thermostat sorgt für Komfort bei der Verwendung und der grobmaschige Filter verlängert die Lebensdauer.
Einige Modelle sind mit einer Umwälzpumpe ausgestattet. Das Gerät verteilt das Kühlmittel gleichmäßig im Heizsystem. Und es ist auch möglich, einen externen Thermostat innerhalb oder außerhalb des Raums anzuschließen.
Automatisierung Honeywell
Honeywell verfügt über ein breites Automatisierungsangebot für Gaskessel, von den kostengünstigsten (mechanischen) bis hin zu multifunktionalen automatischen Systemen.
Hauptmerkmale:
- das Kühlmittel hält automatisch die Temperatur;
- Abschalten des Kessels bei Unterbrechungen der Gasversorgung;
- Abschaltung bei fehlender Traktion oder bei Rückwärtstraktion;
- Blockieren der Gaszufuhr, wenn der Gasbrenner erlischt.
Einige Modelle sind mit einer programmierbaren Automatisierung ausgestattet, mit der Temperaturperioden je nach Tageszeit und Wetter eingestellt und sogar ein Heiz- / Kühlmodus für die Wochentage entwickelt werden können. Und die Modelle der Smile-Serie regeln gleich mehrere Temperaturkreise (Heizung, Lüftung, „Fußbodenheizung“, Warmwasser etc.).
Automatisierung Eurosit 630 (Eurosit 630)

Das Eurosit-Gasventil ist eines der am häufigsten verwendeten. Es kann sowohl auf inländischen als auch auf importierten Kesseln gefunden werden. Die Hauptvorteile: die Multifunktionalität des Gaszufuhrreglers, des Modulationsthermostats und die Funktion der Vollmodulationszuschaltung des Hauptbrenners. Es funktioniert sowohl aus Flaschen mit Flüssigbrennstoff als auch aus einem Gastank, ohne den Einsatz von Strom. Es wird in verschiedenen Arten von gasverbrauchenden Geräten verwendet, die eine präzise Temperaturregelung erfordern.
Die grundlegenden Funktionsprinzipien der Eurosit 630-Automatisierung.
Zündung des Zündbrenners.
- Überprüfen Sie, ob die Position des Knopfes mit dem „Aus“-Symbol übereinstimmt.
- Bewegen Sie den Bedienknopf in die Position „Sternchen“.
- Halten Sie den Bedienknopf einige Sekunden gedrückt. Lassen Sie dann los und vergewissern Sie sich, dass sich der Zündbrenner einschaltet. Wenn der Zündbrenner erlischt, wiederholen Sie Schritt 3.
Temperaturauswahl.
Stellen Sie die Temperatur mit dem Drehregler ein. Das Gas beginnt in den Hauptbrenner zu strömen, wo es mit dem Zündbrenner gezündet wird.
Leistungsmodulation.
Das Thermostatsystem regelt den Gasfluss und den Gasdruck im Hauptbrenner in Abhängigkeit vom Kapillarsensor des Systems. Je kälter der Sensor, desto mehr Leistung und umgekehrt. Das Diagramm zeigt schematisch, wie sich die Leistung vom Maximum zum Minimum und weiter ändert, bis der Brenner vollständig ausgeschaltet ist.
Pflichtstellung.
Bewegen Sie den Bedienknebel von der eingestellten Temperatur auf das „Sternchen“. Der Hauptbrenner erlischt, aber der Zündbrenner bleibt angezündet.
Stilllegen.
Stellen Sie den Knopf auf die Aus-Position. Das Ventil schließt vollständig, aber der thermoelektrische Schutzmagnet bleibt vorübergehend aktiviert, bis der Thermoelementsensor abgekühlt ist. Während dieser Zeit wird ein Wiederanlauf des thermoelektrischen Systems mechanisch verhindert. Die Funktion heißt "interlog". Er sorgt für die Belüftung der Brennkammer vor dem nächsten Brennerstart.
Lesen Sie auch:
Partitionen
Das Innere der Küche und des Wohnzimmers beginnt durch das Andocken der beiden Zonen zu überdenken.
- Hier sind einige der Möglichkeiten und Objekte, die den Raum begrenzen:
- Installation einer Bartheke;
- Kücheninsel;
- großer Tisch;
- Installation einer niedrigen Partition.

Designer raten zur Installation eines breiten Regals, da man wie an einem normalen Tisch daran sitzen kann und Hochstühle für die ganze Familie geeignet sind.
Allerdings werden in kleinen Räumen (16qm) schmale Racks verbaut. qm oder 30 qm m). Capital Low-Trennwände werden nur installiert, wenn im Voraus entschieden wird, wofür sie verwendet werden (z. B. als TV-Ständer).
Was sind die automatischen Einstellungen?
Derzeit bietet der Markt dem Verbraucher eine große Auswahl an Steuergeräten. Daher ist es notwendig zu wissen, welche Art von Automatisierung für Hausheizungen im Allgemeinen vorhanden ist und welche zu bevorzugen ist.
Raumthermostat

Gemäß den Installationskriterien gibt es:
- Kabelgebundene Thermostate. Der Vorteil dieses Typs ist die Fähigkeit, Strom bis zu etwa 50 Meter durch Drähte zu leiten.
- Drahtlose Thermostate. Der Vorteil ist, dass es nicht notwendig ist, ein Loch für die Drähte zu erstellen. Sie haben jedoch einen erheblichen Nachteil: Stahlbetonwände verringern die Signalstärke.
Nach Funktionalität unterscheiden sie:
- einfache Thermostate. Sie halten das richtige Maß an Wärme.
- Programmierbare Thermostate. Solche Geräte sind in der Lage, eine bestimmte Gradzahl für eine ganze Woche im Voraus einzustellen (der Zeitraum ist modellabhängig) mit einer maximalen Genauigkeit von Sekunden. Die Vorteile können auch als Kostenersparnis durch wöchentliche Programmierung gezählt werden.
Es gibt auch Thermostate:
- Elektronische Thermostate. Der Bausatz enthält drei Komponenten: Temperatursensor, Signalgeber, Relais. Der Hauptvorteil des Geräts ist die maximale Genauigkeit der Ausrüstung.Benutzerfreundlichkeit nicht vergessen.
- Mechanische Thermostate. Grundlage der Geräte ist die Fähigkeit, Eigenschaften unter dem Einfluss des Temperaturniveaus zu verändern. Aufgrund von Temperaturänderungen in der Gasmembran schließt oder öffnet sich ein Kreislauf, wodurch bestimmte Mechanismen aktiviert werden.
- Elektromechanische Thermostate. Der Mechanismus des Geräts ist viel einfacher als elektronisch. Das Hauptelement ist das Relais. Der Knoten sieht aus wie eine Röhre, die mit einer speziellen Substanz gefüllt ist, die auf Temperatur reagiert. Wird der Kessel erhitzt, dehnt sich der Stoff aus, ebenso kühlt der Kessel ab – der Stoff zieht sich zusammen. Und der stoffabhängige Antrieb regelt dank elektrischer Schaltung die Temperatur.

Anschluss möglich an:
- Kessel;
- Pumpe;
- Servoantrieb;
Thermischer Kopf

Dies ist ein Thermostatelement, das unter dem Einfluss der äußeren Umgebung den Heizkörper leicht öffnet oder schließt. Kostengünstige Art der Automatisierung für die Hausheizung. Ein wesentlicher Pluspunkt ist, dass der Thermokopf sehr praktisch für die lokale Erwärmung ist, und es gibt auch erhebliche Kosteneinsparungen. Von den Minuspunkten: Erstens erfolgt die Anpassung durch die Standards, die aus abstrakten Zahlen bestehen, nicht aus Graden. Zweitens misst der Sensor den Wärmegrad um die Installation herum, aber nicht den Raum, was die Genauigkeit des Geräts verringert.
Wetterabhängige Automatisierung
Das Design der witterungsgeführten Automatisierung zum Heizen eines Hauses ist einfach: Das Wetter draußen nimmt ab, die Temperatur des Kühlmittels steigt. Die wetterabhängige Installation hat jedoch einen ganz erheblichen Nachteil: Das System hat manchmal keine Zeit, sich an die Temperatur anzupassen, und daher verzögert sich die Wirkung. Besonders das erwähnte Minus zeigt sich, wenn ein Zusatz angeschlossen ist - Fußbodenheizung.Zu den Nachteilen gehört, dass die Geräte nicht ganz richtig funktionieren, in etwa, also die Änderung nur bei einem jahreszeitlichen Klimawechsel bemerkbar ist. Es ist erwähnenswert, dass die Preise für das Gerät relativ hoch sind. Aber die Einheiten werden in der Produktion von großen Häusern (über 500 Quadratmeter) sehr praktisch sein.
3 Raumtemperaturregelung - Einstellanleitung
Durch die Einstellung des Gaskessels können Sie die optimale Temperatur in den Räumlichkeiten einstellen. Die einzige Bedingung ist das Vorhandensein eines Thermostats, dessen Aufgabe es ist, die Leistung des Brenners zu regulieren. Der Thermostat ist mit einem im Raum befindlichen Temperatursensor verbunden. Zuerst müssen Sie den gewünschten Temperaturwert einstellen, der für Sie angenehm ist. Danach können Sie die Wärme genießen, indem Sie Bücher lesen oder Ihre Lieblingsfilme ansehen.

Durch die Einstellung des Gaskessels können Sie die richtige Temperatur im Raum einstellen
Es gibt einige Einschränkungen bei der Verwendung von Thermostaten. Mit diesem Gerät können Sie beispielsweise die Temperatur nur in einem Raum einstellen. Um diesen Nachteil zu beseitigen, ist es erforderlich, in die Zuleitung vor jedem Heizkörper ein Thermostatventil einzubauen. Durch die Verengung oder Ausdehnung des im Inneren des Ventils befindlichen Arbeitsmediums kommt es zu einer Veränderung der Querschnittsfläche des Rohres. Solche Ventile reagieren auf die geringste Temperaturmessung, schon eine Erhöhung der Personenzahl im Raum kann zu einer Verengung des Arbeitsmediums führen.
Der Ausfall der Thermostate kann zur gleichzeitigen Abschaltung aller Heizkörper führen.Dies führt zur Beendigung der Zirkulation des Kühlmittels im Kreislauf der Heizungsanlage. Um solche Probleme zu vermeiden, muss vorher ein Überbrückungsrohr oder ein Bypass installiert werden.
Automatisierung verantwortlich für Sicherheit
Gemäß den in der behördlichen Dokumentation (SNiP -87, SNiP, SP) festgelegten Regeln muss in Gaskesseln ein Sicherheitssystem vorgesehen werden. Die Aufgabe dieses Blocks ist eine Notabschaltung der Kraftstoffversorgung im Störungsfall.

Das dargestellte Diagramm zeigt ein Automatisierungssystem, mit dem Sie die Funktionen eines Gasgeräts mit einem detaillierten Bild aller Bestandteile anpassen können
Das Prinzip des sicheren Betriebs des Gaskesselautomatisierungssystems basiert auf der Kontrolle der Instrumentenablesungen. Das Steuergerät überwacht folgende Faktoren:
- Gasdruck. Wenn es auf ein kritisches Niveau abfällt, wird die Zufuhr von brennbarem Stoff sofort gestoppt. Der Vorgang erfolgt automatisch über einen auf einen bestimmten Wert vorkonfigurierten Ventilmechanismus.
- Verantwortlich für diese Eigenschaft bei flüchtigen Geräten ist das Maximum- bzw. Minimum-Relais. Der Funktionsmechanismus besteht darin, die Membran mit dem Stab zu biegen, wobei die Anzahl der Atmosphären zunimmt, was zum Öffnen der Kontakte der Heizung führt.
- Keine Flamme im Brenner. Wenn das Feuer gelöscht ist, kühlt sich das Thermoelement ab, wodurch die Stromerzeugung stoppt und die Gaszufuhr aufgrund der Überlappung des elektromagnetischen Dämpfers des Gasventils stoppt.
- Das Vorhandensein von Traktion. Bei einer Abnahme dieses Faktors erwärmt sich die Bimetallplatte, wodurch sich ihre Form ändert.Das modifizierte Element drückt auf das Ventil, das sich schließt und die Zufuhr von brennbarem Gas stoppt.
- Temperatur des Wärmeträgers. Mit Hilfe eines Thermostats ist es möglich, diesen Faktor auf einem bestimmten Wert zu halten, wodurch eine Überhitzung des Kessels verhindert werden kann.
Die oben genannten möglichen Fehlfunktionen können dazu führen, dass der Hauptbrenner ausgeht, was dazu führen kann, dass Gas in den Raum eindringt, was fatale Folgen haben kann.

Diese Abbildung zeigt eine schematische Vorrichtung für das Funktionieren der Steuerungsautomatisierung, die eine Überhitzung des Systems oder andere Störungen in seinem Betrieb verhindern soll.
Um dies zu vermeiden, müssen alle Kesselmodelle mit automatischen Geräten ausgestattet sein. Dies gilt insbesondere für veraltete Muster, bei denen solche Geräte noch nicht von Herstellern bereitgestellt wurden.
Wann ist eine Brennerflammenregulierung erforderlich?
Atmosphärischer Gasbrenner für Heizgeräte fällt oft aus. Es ist mit Modellen von Wand- und Standkesseln ausgestattet. Der Einspritzbrenner von Outdoor-Geräten reduziert seine Effizienz aus verschiedenen Gründen:
- Brennerleistung zu hoch. Es passiert, wenn ein Hochleistungsbrenner für kleine Heizgeräte gekauft wird. Gleichzeitig ist nicht genügend Platz für die Verbrennung vorhanden, der Luftstrom für eine solche Leistung ist schwach, was zum Übergang der Flamme von blau nach gelb, Verrußung der Brennkammer, des Schornsteins führt.
- Wenn der Schornstein schlecht gereinigt wird, verschlechtert sich der Zug des Kessels. Gleichzeitig werden die verbrauchten Verbrennungsprodukte schlecht entfernt, der Luftstrom ist gering. Dadurch verschlechtert sich die Verbrennung, die Flamme wird gelb.
- Der Defekt des Brenners selbst ermöglicht es nicht, die vollständige Verbrennung des Brennstoffs richtig einzustellen.
- Aufgrund von Druckschwankungen im Gasversorgungssystem können gut geregelte Geräte große Mengen ungenutzten Gases in den Schornstein abgeben. Teilweise setzt es sich mit Ruß, Ruß ab. Eine große Rußschicht verringert die Traktion und erhöht den Kraftstoffverbrauch.
- Heizungsanlage nach Reparatur starten.
- Das Vorhandensein von Fremdgeräuschen während des Betriebs des Kessels, des Gasbrenners.
- Änderung der Kraftstoffart.
Einstellung und Einstellung von Gaskesseln
Ein komfortables Cottage, eine geräumige Garage, ein privates Cottage, eine mehrstöckige Wohnung - Gaskessel erwärmen das Leben von Millionen von Menschen. Die Hitze von leistungsstarken Geräten ist konstant, gewohnheitsmäßig, und Sie denken nicht daran, bis die Temperatur in Ihrem Haus oder Arbeitszimmer plötzlich sinkt. Die von Zeit zu Zeit durchgeführte Einstellung und Einstellung von Gaskesseln hilft, Unfälle und Ausfälle zu vermeiden.
Was für einen Russen gut ist, sind für einen Europäer 20 mbar
In den Ländern Russlands und Europas unterscheiden sich die wichtigsten Gasdrucknormen. Im Ausland ist dieser Wert konstant und wird mit 20 mbar definiert. Allerdings ist es eine Utopie, in Russland sowohl im Sommer als auch im Winter das gleiche Heizniveau zu halten. In der warmen Jahreszeit sinkt die Anzeige also auf etwa 13 mbar, und mit dem Aufkommen von Frost werden im Netz Druckstöße und Unterbrechungen der Gasbrennstoffversorgung beobachtet.
Ausländische Hersteller von Gaskesseln konnten die klimatischen Bedingungen ihrer Nachbarn nicht ignorieren und importierte Kessel auf bestimmte Empfindlichkeitsbereiche einstellen. Dieser Vorgang wird im Werk während der Montage des Mechanismus durchgeführt. Darüber hinaus wurde ein spezielles Gasventil entwickelt, mit dem Sie den Druck bei Bedarf anpassen können.Ursprünglich wurde es als Mittel zur Einsparung von Kraftstoffverbrauch konzipiert, aber die russischen Bürger nutzen es, um eine Notabschaltung eines Gaskessels aufgrund eines Druckabfalls in der Leitung zu verhindern.
Die wichtigsten Maßnahmen zum Einrichten und Einstellen des Betriebs eines Gaskessels jeglicher Konfiguration müssen von einer speziell geschulten Person durchgeführt werden. Aber es gibt auch eine Reihe von Tätigkeiten, die der Verbraucher von thermischer Energie erledigen kann – zum Beispiel während er auf die Ankunft des Meisters wartet.
- Problem: Brennerleistung zu hoch. Beschreibung: Eine „tanzende“ Flamme, die einen Schornstein raucht. Lösung: Schließen Sie das Gasventil beim Abstieg.
- Problem: geringer Kesselzug. Beschreibung: Luft tritt nicht in den Kessel ein, das verarbeitete Gas geht nicht nach draußen. Lösung: Gashahn am Nachlauf schließen und dadurch die Brennerleistung reduzieren.
- Problem: Luftmangel zur Unterstützung der Verbrennung. Beschreibung: gelbe Flamme, Rußansammlung. Lösung: Reduzieren Sie die Brennerleistung wie oben vorgeschlagen.
- Problem: hoher Gasdruck. Beschreibung: Ruß setzt sich an den Wänden des Schornsteins und des Ofens ab, der Gasverbrauch steigt. Lösung: Druckminderer einbauen, Gashahn schließen.
Zu den Maßnahmen, die zusammen als Einstellung und Einstellung von Gaskesseln bezeichnet werden, gehören auch das Aufheizen des Kessels, das Öffnen der Schornsteinklappe, das Überprüfen der Sicherheitsautomatisierung und das Übertragen der an der Gasleitung installierten Messuhr.
Inbetriebnahme- und Einstellarbeiten eines Gaskessels sind ohne eine Analyse der Abfall- und Gasströme, die der Versorgung zugeführt werden, undenkbar. Die Einstellung kann nicht als abgeschlossen betrachtet werden, wenn das optimale Gleichgewicht von Luft und Gas nicht gefunden wurde.Wer will schon für Treibstoff bezahlen, der spurlos in die Atmosphäre entweicht? Wer wird durch ineffiziente Wärme gewärmt? Gibt es Bürger, die daran interessiert sind, die Lebensdauer der Heizung bewusst zu verkürzen?
Um einen Unfall von zu Hause oder im Büro abzuwenden, müssen Anpassungsarbeiten zur Routine werden. Machen Sie es sich zur Regel: Einmal in einem bestimmten Zeitraum eine gründliche umfassende Inspektion des Gaskessels, seiner Teile und Komponenten durchzuführen. Der maximal erreichbare Wirkungsgrad des Kessels wird bei akzeptabler Betriebsqualität der Vorrichtung aufrechterhalten. Achten Sie bei der Aufstellung eines wandhängenden oder bodenstehenden Heizkessels darauf, dass im Heizraum keine zusätzliche Wärmedämmung erforderlich ist und die beim Betrieb des Kessels unvermeidlichen Wärmeverluste in einem vertretbaren Rahmen liegen.
Brenner Flamme
Einer der Indikatoren für den korrekten Betrieb des Brenners ist die Farbe der Flamme. Gasgeräte zeichnen sich durch eine gleichmäßige bläuliche Flamme ohne Verunreinigungen anderer Farben aus. Das Vorhandensein von gelben, roten Einschlüssen weist darauf hin, dass der Brenner nicht gut funktioniert. Dies verringert die Effizienz der Heizgeräte.

Das gilt in erster Linie für Einspritzbrenner, manchmal ist es aber auch typisch für Gebläsebrenner. Der Flamme fehlt einfach Sauerstoff. Zusammen mit der Luft können auch Staub und andere kleine Ablagerungen eindringen, die das Gerät verstopfen und die Effizienz des Kessels verringern. All dies wirkt sich direkt auf die Flamme aus. Wenn es brummt, der Brenner laut ist, das Feuer die Farbe geändert hat - Sie müssen den korrekten Betrieb des Geräts einrichten.
Zugbegrenzer einbauen:
Der Zugbegrenzer kann auf drei Arten installiert werden: vertikal und horizontal (von der Seite oder von der Vorderseite des Kessels).

1 Den Zugbegrenzer senkrecht oder waagerecht in eine spezielle 3/4-Bohrung im Kesselkörper einbauen. Verwenden Sie spezielle Mittel zum Abdichten von Gewindeverbindungen.
2 Ggf. Zugbegrenzer zum Kesselkörper ausrichten, Schraube 3 lösen und Zugbegrenzer in die gewünschte Position bringen. Schraube fixieren 3.
3 Mit der Schraube (2) den Hebel (1) im Zugbegrenzergehäuse so fixieren, dass das Loch für die Kette über dem Verschluss liegt.
So stellen Sie einen Zugbegrenzer und andere Komponenten für Festbrennstoffkessel ein

Festbrennstoffkessel in schematischer Form
Diese Methoden helfen, die Temperatur und den Schub des Geräts einzustellen. Sie sind:
- Das Gerät heizt auf +80°C auf.
- Mit Hilfe des Einstellgriffes wird am Zugregler die Temperatur eingestellt, die sich auf dem Kesselthermometer widerspiegelt.
- An der Luftklappe wird eine Kette gezogen. Die Klappe muss eine solche Position einnehmen, dass der Kessel die gewünschte Temperatur erreichen kann. Unter solchen Bedingungen variierte der Hohlraum zwischen Dämpfer und Gehäuse im Bereich von 2–50 mm.
- Der Traktionsregler wird auf andere Temperaturdaten überprüft: Der Parameter ist in den Einstellungen auf 90 ° C eingestellt. Sie müssen herausfinden, wie der Controller diesen Parameter unterstützt. Wenn der Parameter am Ausgang des Kessels 95 °C erreicht, muss der Regler die Spaltklappe 2–5 mm schließen. Wenn der Kessel eine Drosselschraube hat, verhindert diese das Schließen der Klappe. Verwenden Sie es, um den Abstand einzustellen.
- Aktion für einen Kessel mit zwei Kreisläufen. Stellen Sie nach der Kalibrierung des Schubreglers die gewünschten Temperaturparameter am Ausgang des Geräts innerhalb von 85 °C ein.
Entwicklung des Wirkungsgrades eines solchen Kessels
Die Effizienz dieses Kessels wird hauptsächlich durch die Art des Brennstoffs und seine baulichen Eigenschaften bestimmt.
Wenn beispielsweise Kohle, Brennholz oder Paletten verbrennen, entsteht viel Wärmeenergie. Die technologische Art der Brennstoffverbrennung im entsprechenden Fach und die Art des Heizsystems haben einen großen Einfluss auf die Effizienz.
Bei der Verbrennung von Anthrazit-, Steinkohle- und Torfbriketts liegt der durchschnittliche Wirkungsgrad bei 70–80 %. Beim Verbrennen von Paletten - bis zu 85%. Bei der Verbrennung von Pellets gibt es einen hohen Wirkungsgrad und eine unglaubliche Menge an thermischer Energie.
Wenn Ihr Festbrennstoffkessel im Laufe der Zeit Effizienz entwickeln muss, können Sie die Anleitung zum Verständnis studieren. Normalerweise geben die Hersteller gewöhnliche Methoden an. Aber mit der Zeit funktionieren sie extrem schlecht. Und heute hat eine solche Methode zur Effizienzsteigerung von Festbrennstoffkesseln große Berühmtheit erlangt: Ein weiterer Wärmetauscher wird montiert. Es muss den flüchtigen Verbrennungsprodukten thermische Energie entziehen.
Informieren Sie sich vor der Installation unbedingt über die Temperaturdaten des Rauchs am Auslass. Verwenden Sie dazu ein Multimeter. Seine Position ist in der Mitte des Schornsteins. Informationen über die potenziell erhältliche Wärmemenge helfen bei der Berechnung der Fläche des zusätzlichen Wärmetauschers.
Der weitere Algorithmus der Operationen ist wie folgt:
- Eine bestimmte Menge Brennholz wird in die Brennkammer geladen.
- Bestimmen Sie, wie lange diese Kraftstoffmenge durchbrennt.
Beispiel: 14,2 kg Brennholz geladen. Die Brenndauer beträgt 3,5 Stunden. Der Rauchparameter am Ausgang beträgt 460 C.
In einer Stunde brannten 4,05 kg Brennholz ab. Das ist das Ergebnis einer solchen Rechnung: 14,2: 3,5.
Verwenden Sie zur Berechnung der Rauchmenge den allgemeinen Wert - 1 kg Brennholz entspricht 5,7 kg Rauchgasen. Außerdem wird das vorherige Ergebnis von 4,05 mit 5,7 multipliziert. Es stellt sich heraus, dass der 23.08. Dies ist die Masse der flüchtigen Verbrennungsprodukte.Beginnen Sie bei anderen mit diesem Wert, indem Sie die Menge an Wärmeenergie berechnen, die zum Aufheizen des neu angebauten Wärmetauschers benötigt wird.
In Kenntnis des Wärmekapazitätsparameters flüchtiger erhitzter Gase (dieser beträgt 1,1 kJ / kg) kann die Leistung des Wärmeflusses berechnet werden. Dies ist erforderlich, wenn der Rauchparameter auf 160 0С (von 460 0С) abfällt.
Hier funktioniert die folgende Formel
So wird der exakte Parameter der Zusatzleistung angezeigt. Es entsteht durch Verbrennungsprodukte. Es stellt sich so heraus: q \u003d 8124/3600 \u003d 2,25 kW. Dies ist ein anständiger Indikator. Es kann die Effizienz Ihres Kessels drastisch steigern.
Wenn man weiß, wie viel Energie verschwendet wird, ist es sinnvoll, einen zweiten Wärmetauscher hinzuzufügen. Neue Wärmeenergie entsteht. Sowohl die Effizienz des Heizkessels als auch der gesamten Heizungsanlage steigt.
Video: mehr über die Effizienz eines Festbrennstoffkessels
Die Einrichtung sowie die Steigerung der Effizienz eines jeden Einzelgeräts ist nicht immer ein schwieriges, aber sehr verantwortungsvolles Unterfangen. Wo es keinen Zweifel geben sollte. Bei Schwierigkeiten, die bei der Veredelung oder gar Reparatur auftreten, ist es daher ratsam, sich bei dieser Geräteklasse von einem Meister beraten zu lassen.
Schlussfolgerungen und nützliches Video zum Thema
Auf dem vorgestellten Video finden Sie eine kurze Anleitung zur Installation eines Gaskessels, der mit einem automatischen Eurosit-System ausgestattet ist.
Ein moderner Gaskessel ist ein ziemlich komplexes Design, das viele nützliche Funktionen bietet. Die Automatisierung der meisten Modelle erleichtert ihren Betrieb erheblich, übernimmt die Verwaltung von Mechanismen und die Kontrolle über ihre Arbeit.
Dadurch wird die Sicherheit beim Betrieb der Heizungsanlage deutlich erhöht und durch die Wahl des optimalen Modus auch deren Effizienz gesteigert.
Müssen Sie die Automatisierung Ihres Gaskessels anpassen? Möchten Sie dieses Problem selbst lösen und einige Punkte klären? Fühlen Sie sich frei, Ihre Fragen unter diesem Artikel zu stellen, und unsere Experten werden versuchen, Ihnen zu helfen.
Oder haben Sie die Automatisierungsanpassung erfolgreich abgeschlossen und möchten Ihre Erfahrungen mit anderen Anwendern teilen? Schreiben Sie Ihren Rat, fügen Sie ein Foto mit den wichtigsten Punkten hinzu - Ihre Empfehlungen werden für andere Besitzer des gleichen Kessels sehr nützlich sein.








































