- Tomic Glühlampentreiber
- Welche Firma ist besser?
- Lampentypen für 12 V
- Glühlampen.
- Halogenlampen.
- LED (LED) Lampen.
- Hauptmerkmale
- Was ist eine dimmbare LED-Lampe?
- Erstellen einer E27-LED-Lampe aus einer energiesparenden mit einem vorgefertigten Treiber
- Schritt-für-Schritt-Anleitung zur Herstellung einer LED-Lampe
- Hauptarten von Produkten
- Integration mit Sprachassistenten
- Tipps zur Auswahl
- Bewertung von birnenförmigen (klassischen) LED-Lampen
- LS E27 A67 21W
- Voltega E27 8W 4000K
- Pled-dim a60
- Jazzway 2855879
- ALLGEMEINE BELEUCHTUNG E27
- Eglo E14 4W 3000K
- Wie das Schema funktioniert
- Über die Marke Gauss und die Firma Warton
- Schlussfolgerungen und nützliches Video zum Thema
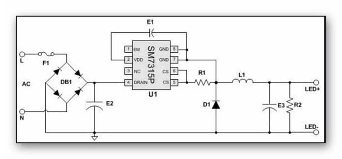
Tomic Glühlampentreiber
Die Verwendung des LED-Prinzips erfordert die Installation eines Treibers, der sich im Sockel befindet. Der Zweck des Geräts besteht darin, den Strom aus dem Netzwerk auf einen für LED-Elemente sicheren Parameter zu reduzieren.
Der Treiber besteht aus folgenden Elementen:
- Sicherung.
- Diodenbrückengleichrichter.
- Glättungskondensatoren.
- Mikroschaltung eines Impulsstromreglers mit zusätzlichen Komponenten. Die Schaltung enthält eine Diode, eine Drossel, einen HF-Widerstandskondensator.

Von besonderem Interesse ist die Treiberschaltung. Im Phasendraht ist eine Sicherung F1 installiert, an deren Stelle Sie einen Widerstand von bis zu 20 Ohm bis zu einer Leistung von 1 W setzen können.
Zu den Elementen des Schemas gehören auch:
- Diodenbrücke zum Gleichrichten von Strom für eine Spannung von 400 - 1000 V, DB1;
- Kondensator zum Glätten von Welligkeiten am Ausgang von DB1, E2;
- zusätzliche Kapazität zur Spannungsversorgung der Schaltung E1;
- Gerätetreiber, der die gesamte Schaltung zum Laufen bringt, SM7315P;
- Ausgangsripple-Filterkapazität, E3;
- Stromsensor zum Einstellen der Stromstärke in der Lichtquellenschaltung, R1 (je höher der Widerstand, desto niedriger der Strom);
- Widerstand zur Reduzierung des Stroms am Konverter, R2;
- Diode, die den Betrieb des Wandlers gewährleistet, D1;
- Speicherinduktivität zur Spannungswandlung, L

Tatsächlich bilden die Elemente D1, L1 und der Transistorschalter eine typische Schaltwandlerschaltung.
Welche Firma ist besser?
Die besten Hersteller hochwertiger LED-Lichtquellen:
- Nichia ist ein japanisches Unternehmen, das sich auf die Entwicklung von Dioden und Zubehör spezialisiert hat. Es ist eines der ältesten seiner Branche. Es gilt als Hersteller von Waren der Extraklasse und gilt als führend in der Produktion ultraheller Geräte.
- Osram ist eine deutsche Marke, die vor über hundert Jahren gegründet wurde. Verbunden mit einem anderen bekannten Unternehmen - Siemens, und besitzt fast fünfzig Industrien auf der ganzen Welt.
- Cree ist ein amerikanisches Unternehmen, das ursprünglich Chips herstellte, die zur Herstellung von Mobiltelefonen und Autoarmaturenbrettern verwendet wurden. Heute produziert ein etabliertes Unternehmen mit vollem Kreislauf LEDs für verschiedene Zwecke.
- Philips ist ein bekanntes Unternehmen mit Fabriken in 60 Ländern, das für seine Investitionen in innovative Entwicklungen bekannt ist. Es hat einen Jahresumsatz von Millionen Euro und hohe Wachstumsraten im Produktionsvolumen.
Darüber hinaus werden beliebte Modelle von Diodenbeleuchtungsgeräten von russischen Marken - ERA, Gauss, Navigator, Ecola - sowie von chinesischen Unternehmen - ASD und VOLPE - hergestellt.
Lampentypen für 12 V
Glühlampen.
Die meisten von ihnen werden für den Betrieb mit einer Spannung von 220 V hergestellt, einige ihrer Typen werden jedoch in einer Niederspannungsversion von 12 V hergestellt. Letztere umfassen lokale, dekorative (Weihnachtsbaumgirlanden) und Transportlichtquellen.

Glühlampe 12 V lokal
Die Leistung einer lokalen Glühlampe liegt im Bereich von 15-60 Watt. Und mit 12 Volt sind sie für den Einsatz in explosionsgefährdeten Bereichen ausgelegt. Sie dienen der Beleuchtung von Arbeitsplätzen, unter anderem an Werkzeugmaschinen und anderen Industrieanlagen. In der Regel sind solche Leuchtmittel mit einem e27- oder e14-Schraubsockel ausgestattet.
![]() | ![]() | ![]() |
Autoglühlampen 12 V
Transportlampen haben eine Vielzahl von Sockeln und zeichnen sich durch eine hohe mechanische und Vibrationsfestigkeit aus. Die Versorgungsspannung ist für jedes Verkehrsmittel unterschiedlich: 12-Volt-Lampen werden hauptsächlich für Autos hergestellt. Spezielle Designlösungen werden für Glühlampen in Scheinwerfern vorgestellt: In ihnen sind zwei Glühfäden montiert.

Ampel
Auch in Eisenbahnampeln werden Niedervolt-Glühlampen mit erhöhter mechanischer Festigkeit eingesetzt. Ihre Leistung reicht von 15 bis 35 Watt. Ein spezieller Boden mit einer Verriegelung verhindert das Herausfallen der Patrone.

Lampe schalten
Schalterlampen werden als Signallampen an Telefonschaltern verwendet. Sie werden in verschiedenen Spannungen hergestellt, unter anderem 12 V. Bei der Herstellung gelten Anforderungen an die Lichtstärke in Richtung der Lampenachse und die Heiztemperatur des Kolbens (sollte 120⁰ nicht überschreiten).
Halogenlampen.
Sie unterscheiden sich konstruktionsbedingt kaum von Glühlampen. Durch die Zugabe von Halogendämpfen können Sie jedoch länger arbeiten und heller strahlen.
"Halogene" sind auch in einer Niederspannungsversion von 12 V erhältlich. Sie werden für Punktbeleuchtung (einschließlich in Spanndecken), sichere Beleuchtung von brennbaren und feuchten Räumen und Fahrzeugbeleuchtung verwendet.
Für die Fahrzeugbeleuchtung werden verschiedene Sockel der Gruppe H verwendet, für andere Gruppen werden Stiftsockel verwendet, um den Anschluss an ein 220-V-Netz zu vermeiden.
Es gibt zwei Gruppen von Niederspannungs-Halogenen: Kapsel- und Richtwirkung.

Kapsellampe
Kapsel - kompakt, Leistung von 5 bis 100 Watt. Verwendet für dekorative Beleuchtung (5-10 W), allgemeine Beleuchtung und in Autos.

Lichtquelle mit Reflektor
Wenn Sie der Kapsellampe einen Reflektor hinzufügen, erhalten Sie die zweite Art von "Halogenen". Der Reflektor bildet einen gerichteten Lichtstrahl. Wenn der Reflektor mit einer speziellen Zusammensetzung beschichtet ist, die Infrarotstrahlung reflektiert, dann Die Lampe heißt IRC-Halogen. IRC ist der energieeffizienteste Typ. Die Beschichtung reflektiert Infrarotstrahlung zurück zur Spirale. Dies führt zu einer Reduzierung des Stromverbrauchs. Reflektorlampen sind mit oder ohne Schutzglas erhältlich. Dies wird von Designern verwendet, um verschiedene dekorative Highlights zu setzen. Auch Lichtquellen mit Reflektor sind für die Allgemeinbeleuchtung und für Autos geeignet.
LED (LED) Lampen.
Weit verbreitet in Niederspannungsversion. Die Leistung liegt normalerweise im Bereich von 0,4 bis 8 Watt. Es gibt verschiedene Formvarianten.
Geführter offener Typ (ohne Kolben) und mit einem Kolben

flache Lampen
![]() | ![]() |
![]() | ![]() |
Verschiedene Formen der Flasche: Kapsel, Blütenblatt, Mais, Kerze
Erhältlich mit allen Arten von Sockeln: zum Austausch von Glüh- und Halogenlampen.

Einige Sockeloptionen
Geführte Quellen Lichter gibt es in verschiedenen Farbtemperaturen: warm, neutral, kalt.
Sie werden für die Beleuchtung (allgemein, punktuell, dekorativ), in Autos usw. verwendet.
Hauptmerkmale
Leistung. Zeigt an, wie viel Strom verbraucht wird. Led - das wirtschaftlichste. Solche Lichtquellen haben eine geringe Leistung: 1 - 5 W, 7-10 W, 11, 13, 15 W. Es gibt Zwischenleistungen: 3,3, 2,4 W usw.
Die Tabelle zeigt die äquivalente Leistung von LED- und Halogenlampen.
| LED-Leistung, W | Halogenleistung, W |
| 1 | 15 |
| 3 | 25 |
| 5 | 50 |
| 7 | 70 |
| 9 | 90 |
| 12 | 120 |
| 15 | 150 |
Lichtfluss. Der Parameter beschreibt die Helligkeit: je höher er ist, desto höher die Helligkeit. Zu beachten ist, dass LED-Lichtquellen die höchste Lichtausbeute haben. Dies bedeutet, dass LEDs bei gleicher Leistung heller leuchten als andere.
Bunte Temperatur. LEDs können in unterschiedlichem Licht leuchten:
- warm (2700-3500 K);
- neutral (3500-4500 K);
- kalt (4500-6500 K).
Warme Farben fördern die Entspannung. Sie sind gut geeignet für Schlafzimmer, Aufenthaltsräume.
Neutrale Töne erhöhen die Effizienz, geeignet für Küchen, Büros usw.
Kaltes Licht belebt, verursacht aber bei längerem Gebrauch Irritationen. Geeignet für Nichtwohngebäude und für Arbeiten, bei denen gutes Licht benötigt wird.
Farbwiedergabeindex (CRI oder Ra). Gibt an, ob es im Raum zu Farbverzerrungen kommt. Gemessen von 1 bis 100. Je höher der Index, desto weniger Verzerrung. Led g9 haben normalerweise einen guten Farbwiedergabeindex: über 80.
Winkel der Lichtstreuung. Der Parameter zeigt den Winkel an, in dem das Licht von der Quelle divergiert.Lichtquellen vom offenen Typ "Mais" strahlen in alle Richtungen bei 360⁰. Der Streuwinkel von LED-Lampen mit Diffusor überschreitet 240⁰ nicht, während er bei Strahlern 30⁰ beträgt.

Streuwinkel
Lebensdauer. LED-Lichtquellen sind am langlebigsten: je nach Hersteller zwischen 20.000 und 50.000 Stunden.
Maße. Lampen sind in verschiedenen Größen erhältlich, aber sie sind alle ziemlich klein.
Bei der Auswahl einer LED für eine bestimmte Lampe ist es wichtig, die Größe der Glühbirne zu berücksichtigen. Wenn Sie g9-Halogenlampen durch LEDs ersetzen, denken Sie daran, dass die LED etwas größer ist
Betriebsbedingungen. Für g9 liegt der zulässige Betriebstemperaturbereich zwischen -40⁰С und +50⁰С.
Was ist eine dimmbare LED-Lampe?
Dies ist ein Gerät, das mit einer PWM-Funktionseinheit ausgestattet ist, d.h. Möglichkeiten der Pulsweitenmodulation. Der Block hat in seinem Design eine bestimmte Schaltung, mit der Sie die Einstellung erkennen können. Es steuert den Stabilisator, der sich im Gehäuse befindet und die Helligkeit der Beleuchtung verändert.
Herkömmliche elektrische Energiesparlampen können nicht über einen Dimmer eingeschaltet werden - diese beiden Geräte sind nicht kompatibel. Der Konflikt äußert sich in einem Blinken oder schwachen Leuchten des Geräts im ausgeschalteten Zustand. Wir haben hier über andere Gründe für blinkende LED-Lampen gesprochen.
Und da LED bzw Leuchtstofflampen sind dafür ausgelegt eine bestimmte Anzahl von Zyklen zum Aktivieren und Ausschalten der Lichtquelle, dann brennen sie bei einer solchen Verwendung in ein oder zwei Monaten durch.
Das Design einer dimmbaren LED-Lampe zeichnet sich durch das Vorhandensein eines speziellen Treibers aus, der für das Dimmen verantwortlich ist
Tatsache ist, dass sich in den Energiesparlampen ein Kondensator (elektronischer Wandler) befindet, zu dem auch im ausgeschalteten Zustand ein bestimmter Strom fließt.
Der Kondensator, der die erforderliche Ladung erhält, speist die Diode und blinkt von Zeit zu Zeit trotz des ausgeschalteten Zustands.

Vor dem Aufkommen dimmbarer Modelle war es unmöglich, die Helligkeit von LED-Lampen einzustellen – sie waren nicht für den Einsatz mit einem Dimmer geeignet
Erstellen einer E27-LED-Lampe aus einer energiesparenden mit einem vorgefertigten Treiber
Für die Eigenproduktion von LED-Lampen benötigen wir:
- Defekte CFL-Lampe.
- HK6-LEDs.
- Zange.
- Lötkolben.
- Lot.
- Karton.
- Kopf auf die Schultern.
- Geschickte Hände.
- Genauigkeit und Sorgfalt.
Wir werden eine defekte LED CFL Marke "Cosmos" neu machen.

"Cosmos" ist eine der beliebtesten Marken moderner Energiesparlampen, so dass viele eifrige Besitzer sicherlich mehrere seiner fehlerhaften Exemplare haben werden.
Schritt-für-Schritt-Anleitung zur Herstellung einer LED-Lampe
Wir finden eine defekte Energiesparlampe, die uns „für alle Fälle“ schon lange begleitet. Unsere Lampe hat eine Leistung von 20W. Bisher interessiert uns hauptsächlich die Basis.
Wir zerlegen die alte Lampe vorsichtig und entfernen alles davon, bis auf den Sockel und die davon kommenden Drähte, mit denen wir dann den fertigen Treiber verlöten. Die Lampe wird mit Hilfe von Riegeln zusammengebaut, die über den Körper hinausragen. Du musst sie sehen und ihnen etwas anhängen. Manchmal wird die Basis schwieriger am Körper befestigt - durch Stanzen von gepunkteten Aussparungen um den Umfang. Hier müssen Sie die Stanzpunkte aufbohren oder mit einer Metallsäge vorsichtig ausschneiden. Ein Stromkabel wird an den zentralen Kontakt der Basis gelötet, das zweite an das Gewinde. Beide sind sehr kurz.
Die Schläuche können während dieser Manipulationen platzen, daher ist Vorsicht geboten.
Wir reinigen die Basis und entfetten sie mit Aceton oder Alkohol
Erhöhte Aufmerksamkeit sollte dem Loch geschenkt werden, das auch sorgfältig von überschüssigem Lot gereinigt wird. Dies ist für das weitere Löten im Sockel notwendig.
Die Bodenkappe hat sechs Löcher - daran wurden Gasentladungsröhren befestigt
Wir verwenden diese Löcher für unsere LEDs
Legen Sie einen mit einer Nagelschere aus einem geeigneten Stück Plastik ausgeschnittenen Kreis gleichen Durchmessers unter das Oberteil. Dicke Pappe geht auch. Er wird die Kontakte der LEDs reparieren.
Wir haben HK6 Multi-Chip-LEDs (Spannung 3,3 V, Leistung 0,33 W, Strom 100-120 mA). Jede Diode ist aus sechs Kristallen zusammengesetzt (parallel geschaltet), sodass sie hell leuchtet, obwohl sie nicht als stark bezeichnet wird. Angesichts der Leistung dieser LEDs schalten wir sie drei parallel.
Beide Ketten sind in Reihe geschaltet.
Als Ergebnis erhalten wir ein ziemlich schönes Design.
Ein einfacher fertiger Treiber kann aus einer kaputten LED-Lampe entnommen werden. Um nun sechs weiße Ein-Watt-LEDs anzusteuern, verwenden wir einen 220-Volt-Treiber wie den RLD2-1.
Wir setzen den Treiber in die Basis ein. Ein weiterer ausgeschnittener Kreis aus Kunststoff oder Pappe wird zwischen Platine und Treiber gelegt, um einen Kurzschluss zwischen den LED-Kontakten und den Treiberteilen zu vermeiden. Die Lampe erwärmt sich nicht, daher ist jede Dichtung geeignet.
Wir bauen unsere Lampe zusammen und prüfen, ob sie funktioniert.
Wir haben eine Quelle mit einer Lichtstärke von etwa 150-200 lm und einer Leistung von etwa 3 W geschaffen, ähnlich einer 30-Watt-Glühlampe. Aber dadurch, dass unsere Lampe eine weiße Leuchtfarbe hat, wirkt sie optisch heller. Der von ihr beleuchtete Raumanteil kann durch Biegen der LED-Leitungen vergrößert werden. Außerdem haben wir einen wunderbaren Bonus erhalten: Eine Drei-Watt-Lampe kann nicht einmal ausgeschaltet werden - das Messgerät „sieht“ sie praktisch nicht.
Hauptarten von Produkten
Im Gegensatz zu herkömmlichen Glühlampen haben LED-Quellen keine strengen Designmerkmale und sind in einer Vielzahl von, manchmal sehr unerwarteten, Konfigurationen erhältlich. Dadurch können Sie sie in moderne und seltene Lampen jeglicher Art einbetten.
Die Einteilung erfolgt in drei Unterarten. Die erste Kategorie umfasst Allzweckprodukte. Sie zeichnen sich durch einen hochwertigen Lichtstrom mit einem Streuwinkel von 20° bis 360° aus und sind für die Beleuchtung von Büros und Wohnräumen für verschiedene Zwecke bestimmt.

Mit Hilfe von Allzweck-LED-Lampen können Sie ein Haushaltsbeleuchtungssystem beliebiger Komplexität organisieren. Es funktioniert einwandfrei und verbraucht dabei nur ein Minimum an elektrischer Energie.
Der zweite Block umfasst Richtungslichtmodule, die mit einer oder mehreren LEDs betrieben werden. Die Verwendung dieser Produkte ermöglicht es Ihnen, Akzentbeleuchtung zu schaffen und einige Bereiche oder Innenelemente im Raum hervorzuheben.
LEDs zur Erzeugung einer gerichteten Beleuchtung haben ein spezifisches Design und werden Spots genannt. Geeignet zum Einbetten in Möbel, Regal und Wandplatzierung
Lineare LED-Lampen sehen aus wie klassische Leuchtstofflampen. Sie werden in Form von Rohren unterschiedlicher Länge hergestellt.
Sie werden hauptsächlich in Technikräumen eines Hauses oder einer Wohnung, in Büros und Verkaufsräumen eingesetzt, wo eine helle und sparsame Beleuchtung benötigt wird, die alle Details hervorheben kann.

Lineare LED-Beleuchtung ist für Niederspannungsanwendungen erhältlich.Dies ermöglicht den Einsatz in der Küche, wo aufgrund hoher Luftfeuchtigkeit erhöhte Anforderungen an Lichtquellen gestellt werden.
Mit Hilfe von linearen und anderen Arten von LED-Modulen können Sie geschlossene Räume und lokale Bereiche, in denen der Brandschutz im Vordergrund steht, kompetent und schön mit einer hochwertigen Beleuchtung ausstatten.
Integration mit Sprachassistenten
Stimmen Sie zu, es gibt nichts über Komfort zu sprechen, wenn solche Geräte nicht mit Sprachassistenten gesteuert werden können. Die WiZ-Anwendung arbeitet mit Alice zusammen, dem beliebtesten Sprachassistenten von Yandex.
Mit Sprachbefehlen können Benutzer Gauss-Lampen einfach einschalten und ihre Betriebsmodi ändern. Um mit Alice zu synchronisieren, benötigen Sie ein Konto bei Yandex. Als nächstes müssen Sie den Anweisungen folgen:
- Erstellen Sie einen 6-stelligen PIN-Code in der WiZ-Anwendung. Schieben Sie dazu den Schalter in der oberen rechten Ecke auf die Position „on“;
- Wir geben das Konto über die Yandex-Anwendung ein, geben den erhaltenen PIN-Code ein und folgen den Anweisungen des Programms.
- Wenn die Liste der Gauss-Geräte aktualisiert wird, erscheint darin ein Symbol mit dem Bild einer Glühbirne oder Lampe. Darüber hinaus kann das Gadget sicher über Alice gesteuert werden.

Außerdem kann das Gadget sicher über „Alice“ gesteuert werden. Ganz einfach: zum Beispiel „Alice, mach das Licht an“ oder „Alice, mach das Licht im Wohnzimmer an“. Wenn es zu dunkel ist, können Sie darum bitten, die Helligkeit zu erhöhen. Wenn die Lampe eine Farbanpassung unterstützt, ändert Alice sie gerne nach Lust und Laune.
Tipps zur Auswahl
Um kein Geld wegzuwerfen und nicht auf ein Produkt von schlechter Qualität zu stoßen oder Ihre Bedürfnisse nicht vollständig zu befriedigen, empfehlen wir Ihnen, einige Tipps zur Auswahl zu verwenden. Folgende Kriterien sollten bewertet werden:
- Glasur.Lampen gibt es in 2 Arten von Beschichtungen - matt und transparent. Erstere helfen, die Wirkung von hellem Licht abzuschwächen.
- Verbrauchte Kraft. Normalerweise wird dieser Indikator vom Hersteller auf der Verpackung angegeben. Experten empfehlen den Kauf einer Lampe mit einer Leistungscharakteristik von 11 Watt.
- Betrachten Sie den Lichtstrom. Es ist notwendig für diejenigen, die Lampen für die Außenbeleuchtung installieren oder in einem großen Raum „arbeiten“ möchten.
- Spannungsanzeige. Es ist erforderlich, einen Dimmer zu kaufen, der in Kombination mit einer LED-Lampe perfekt funktioniert.
- Wählen Sie direkt ein Produkt, das die Option zum Ändern der Helligkeit unterstützt. Das Vorhandensein oder Nichtvorhandensein ist auf der Verpackung neben der Betriebsanzeige angegeben.
- Temperaturton. Es gibt zwei Arten von Schatten, von denen das Licht im Raum abhängt - warm und kalt. Warmes Licht zeichnet sich durch einen Gelbstich aus, während kaltes Licht weißes, helles Licht ist.
- Natürlich ist der Hauptparameter die Basis. Nicht alle Lampen haben den gleichen Sockel. Da jedes Elektrogerät über eine individuelle Kartusche verfügt, wird der Sockel je nach Art der Kartusche ausgewählt.
Und jetzt, wo die wesentlichen Punkte geklärt sind, geht es direkt zum Review.
Bewertung von birnenförmigen (klassischen) LED-Lampen
LS E27 A67 21W

Dies ist ein Produkt russischer Hersteller. Die Birnenform gilt im Prinzip als Klassiker in der Kategorie der Glühbirnen. Die Benutzer stellen fest, dass das Umschalten von einem Helligkeitsmodus zum anderen ziemlich reibungslos ist. Wir stellen auch fest, dass dieses Muster zertifiziert ist und über alle erforderlichen Dokumente zur Umweltsicherheit verfügt. Sie müssen sich um diesen Artikel keine Sorgen machen. Darüber hinaus wird eine Langzeitfunktion festgestellt.In Bezug auf die Anwendung ist dieses Beispiel ideal für die Installation zu Hause oder in einem kleinen Arbeitsbereich.
Die durchschnittlichen Kosten für eine solche Lampe betragen 200 Rubel.
LS E27 A67 21W
Vorteile:
- lange Arbeit;
- optimale Helligkeitsregelung.
Mängel:
nicht erkannt.
Voltega E27 8W 4000K

Herkunftsland ist Deutschland. Das Gerät hat eine transparente Beschichtung, die es ermöglicht, helles Licht zu liefern. Geeignet für Innen- und Außenbeleuchtung. Mit Hilfe eines Dimmers können Sie die Helligkeit ganz einfach in die eine oder andere Richtung verändern.
Diese Probe kostet 335 Rubel.
Voltega E27 8W 4000K
Vorteile:
- genau wie das Vorgängermodell wird es lange halten;
- helles Licht durch die Transparenz des Leuchtmittels.
Mängel:
nicht erkannt
Pled-dim a60

Gehört zur Kategorie mehr Budget. Ein Modell mit einer Leistung von 10 W ist ein guter Helfer, um die optimale Beleuchtung des Raums zu gewährleisten. Hervorzuheben ist auch eine gute Lebensdauer. Wenn Sie die Lampe kontinuierlich verwenden, hält sie 1500 Tage. Dies ist ein sehr guter Indikator. Der Deckel der Flasche ist transparent und sorgt für eine helle Lichtzufuhr. Genau wie das erste Muster, das wir in Betracht ziehen, hat dieses alle Arten von Prüfungen bestanden, die von seiner Zuverlässigkeit und Umweltfreundlichkeit sprechen. Und der Preis mit all diesen Eigenschaften wird Sie angenehm überraschen - durchschnittlich 170 Rubel.
Pled-dim a60
Vorteile:
- akzeptabler Preis;
- Betrieb über einen längeren Zeitraum.
- Sockel geeignet für die meisten Elektrogeräte - E27;
- optimale Leistung.
Mängel:
Dies Modell nicht gefunden.
Jazzway 2855879

Qualitativ steht dieses Sample den vorherigen in nichts nach. Zudem überzeugt es mit einer langen Lebensdauer. Die Hersteller haben hier einen warmen Temperaturton definiert, der auf den Einsatz im Wohngebiet hinweist. Die maximale Leistung der Lampe beträgt 12 W, was ideal für die Verwendung mit einem Dimmer ist. Sie können Waren für durchschnittlich 250 Rubel kaufen.
Jazzway 2855879
Vorteile:
- hohes operatives Niveau;
- optimales Maß an Temperaturschatten;
- Sockel E27.
Mängel:
nicht identifiziert.
ALLGEMEINE BELEUCHTUNG E27

Das Produkt dieser Firma wird oft bei der Herstellung hochwertiger Beleuchtung verwendet. Viele Käufer, die Bewertungen zu diesem Produkt hinterlassen, bemerken seine Qualität, die sich mit der Zeit der Verwendung nicht ändert. Wenn wir über die Nutzungsdauer sprechen, dann sind es hier etwa 35.000 Stunden. Und das ist ein guter Indikator. Es ist möglich, die Lampe mit einem Dimmer zu betreiben - einem Dimmer, der sich an der Wand befindet.
Was die Kosten betrifft, kann nicht gesagt werden, dass sie optimal sind - durchschnittlich 480 Rubel. Aber es hängt alles davon ab, welche Leistung die Lampe bekommt. Je mehr Leistung, desto höher die Kosten.
ALLGEMEINE BELEUCHTUNG E27
Vorteile:
- Top-Hersteller;
- erstklassiges Produkt.
Mängel:
der Preis mag manchen hoch erscheinen.
Eglo E14 4W 3000K

Dieses Beispiel unterscheidet sich von allen oben aufgeführten durch die Art der Basis. Hier ist es E14. Und das deutet darauf hin, dass es nicht Standard ist und nicht für alle Elektrogeräte geeignet ist. Seien Sie vorsichtig, wenn Sie sich entscheiden, dieses spezielle Modell zu kaufen. Kommen wir zur nächsten Spezifikation. Aufgrund seiner Leistung von 4 W beträgt die Beleuchtungsfläche ca. 1,2 m². Beachten Sie auch das warm getönte Licht.Geeignet für die Beleuchtung kleiner Räume. Da die Glühbirne matt ist, ist das abgegebene Licht angenehm wahrnehmbar und ähnelt dem Licht, das von der Sonne kommt. Die Helligkeitsstufe ist einfach mit einem Dimmer einstellbar. In puncto Lebensdauer verliert sie gegenüber der Vorgängerlampe, weil. hier ist es für etwa 15.000 Stunden ausgelegt.
Die Kosten pro Wareneinheit betragen etwa 500 Rubel.
Eglo E14 4W 3000K
Vorteile:
- angenehmes Licht;
- hochwertiges Produkt
Mängel:
hoher Preis.
Wie das Schema funktioniert
Das Funktionsprinzip der Schaltung ist einfach. Die Eingangsspannung wird über eine Diodenbrücke gleichgerichtet. Ferner wird der Strom aufgrund der Wirkung der Kapazität und des Kondensators geglättet.
Auf dem Weg zur Mikroschaltung wird der Strom in HF-Impulse umgewandelt und mit einem Kondensator geglättet. Anschließend wird die Filament-LED mit Strom versorgt und an das Netz zurückgeführt.
Der Treiber enthält einen PWM-Controller und zusätzliche Geräte (Komparatoren, Multiplexer usw.). Sie vergleichen den tatsächlichen und den Nennstrom und senden dann ein Signal an den PWM-Controller, um Änderungen am Arbeitszyklus der Impulse vorzunehmen.

Über die Marke Gauss und die Firma Warton
Um besser zu verstehen, woher die Marke Gauss auf dem russischen Markt stammt, müssen Sie sich mit der Geschichte der Firma Varton vertraut machen. Dabei handelt es sich um ein recht junges Unternehmen, das 2009 entstanden ist und es bis 2018 geschafft hat, zwei Hauptbereiche zu beherrschen – die eigene Produktion von LED-Lampen und den Verkauf hochwertiger chinesischer Produkte.
Alles begann mit dem Vertrieb chinesischer Lampenlinien, zuerst Leuchtstofflampen und dann (seit 2010) LED. Sie treten unter dem Markennamen Gauss in den russischen Markt ein.
Der Name entstand aus einem bestimmten Grund.LED-Lampen sind nach dem großen Mathematiker Gauß benannt, der um die Wende vom 18. zum 19. Jahrhundert seine Entdeckungen machte. Unter anderem untersuchte er die Kraft des Lichts aus natürlichen Quellen und die Möglichkeit, Energie in Licht umzuwandeln.
Heute ist die Firma Warton in Russland und im Ausland bekannt. Sie nimmt aktiv an internationalen Ausstellungen teil und demonstriert Erfolge auf dem Gebiet der Lichttechnik.
Neben dem Verkauf chinesischer LED-Produkte bot das Unternehmen die Produktion eigener Lampen an. Die Produktion befindet sich in der Region Tula, in der kleinen Stadt Bogoroditsk. An der Stelle, an der sich zuvor die verlassene Fabrik befand, entstand ein Komplex modernisierter Werkstätten, die mit neuen Linien und Maschinen ausgestattet waren.
Unter der Marke Warton werden hochwertige Leuchten für Industrie-, Bildungs-, öffentliche und Verwaltungsgebäude produziert.
Aber für einen einfachen Benutzer sind Gauss-Produkte näher - LED-Lampen für den Heimgebrauch. Die meisten von ihnen sind mit einem Sockel ausgestattet - für Kronleuchter und Lampen, aber einige Serien sind speziell für die Punktbeleuchtung konzipiert.
Warum setzten die Inhaber des Unternehmens auf LED-Produkte, nachdem sie mit Leuchtstofflampen begonnen hatten? Weise und unternehmungslustige Führungskräfte erkannten rechtzeitig, dass die Zeit für wirtschaftlichere, sicherere und kostengünstigere Produkte gekommen war.
Darüber hinaus wurde 2009 das Bundesgesetz „Zum Energiesparen“ verabschiedet, das den sparsamen Stromverbrauch und dessen effizienten Einsatz in staatlichen Unternehmen regelt.
Das ist interessant: Was Lampen für Spannung zu wählen Obergrenzen: allgemein erklären
Schlussfolgerungen und nützliches Video zum Thema
Noch mehr Informationen über die beliebte Marke werden in den Video-Reviews der Modellreihen und spezifischen Modifikationen präsentiert.
Video Nr. 1 12-W-LED-Modelltest und Leistungsüberprüfung:
Video Nr. 2 Vergleichstest mit anderen Marken:
Video Nr. 3 Warum Käufer Gauss wählen:
Video Nr. 4 Mögliche Mängel des Herstellers:
Produkte der Marke Gauss verdienen wirklich Anerkennung. Natürlich kann es bei einigen Baureihen oder Modellen zu technischen Mängeln kommen, diese werden aber durch deutliche Pluspunkte kompensiert. Diese Lampen können getrost zu den besten Vertretern ihres Segments gezählt werden. Typischerweise erfüllen Produkte die Erwartungen der Benutzer vollständig.
Möchten Sie über die Qualität und Lebensdauer der Gauß-Energiesparlampe sprechen? Teilen Sie mit, welches Sie lieber kaufen und warum. Bitte hinterlassen Sie Kommentare im Block unten, stellen Sie Fragen, posten Sie Fotos zum Thema des Artikels.






















































